
佛山市麻豆精品视频在线观看傳感儀器有限公司
聯係人:張總
電話:0757-22300095
手機:18902563858
郵箱:931199351@qq.com
傳真:0757-22300097
地址:廣東省佛山市順德區勒流富安工業區光電產業園4棟303號
網址:www.ladyltt.com
HDS-XS拉繩位移傳感器是直線位移傳感器在結構上的精巧集成,充分結合了角度位移傳感器、直線位移傳感器以及齒輪、條傳動和各種優點,是一款結構緊湊、多用途、安裝簡便且安裝空間尺寸小,無須補償間隙,具有高精度測量、高重複性測量和高定位精度、長行程的傳感器。可以用於精確測量和定位控製。配合顯示儀表,也可以作為測量儀器進行人工測量。
廣泛應用於結構位置變化、舞台屏幕、鋼廠軋輥調節、自動門、橋梁監測、電梯平層控製、升降機、水閘開度、水庫水位、行車工程車、樁機、龍門吊、港口設備、煤炭設備、倉儲設備等領域。
XS型機座號:(電流、電壓、電阻型)100mm;300mm;500mm;1000mm
脈衝型:≤1000mm可任選
線性精度:(通用型)0.25%FS
(精密型)0.05%~0.08%FS
重複精度:0.01%FS~0.005%FS
產品型式:電流型(4~20mA;或20~4mA)
電壓型(0~10Vdc;或10~0Vdc)
電阻型(0~5kΩ;或0~10kΩ)
脈衝型(一般3600~5000ppr,incremental)
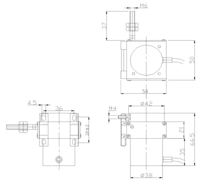
固定螺絲:M4mm
安裝方式:支架
有效壽命:500萬次往複行程
保護等級:IP67
供電電壓:24VDC(脈衝型供電電壓:5~24VDC)
本體安裝:安裝支架孔距離:28±0.5mm
兩個支架之間距離:建議在25~36mm之間
安裝螺絲:M4
牽引螺絲安裝:M6
